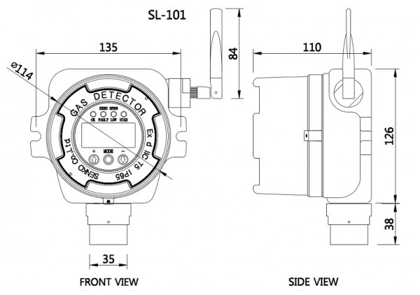
제품도면 SL-101 도면 페이지 정보 작성자 최고관리자 댓글 0건 조회 26,229회 작성일 19-07-09 15:44 본문 첨부파일 08.SL-101_도면.pdf (106.5K) 7693회 다운로드 | DATE : 2019-07-09 15:44:28 목록 이전글SI-100I 도면 19.07.09 다음글SI-100D 도면 19.07.09 댓글목록 댓글목록 등록된 댓글이 없습니다.